某轮可调距螺旋桨进水事件原因查找分析
2023年7月27日 17:01一、故障现象
某船采用双机双桨推进,螺旋桨选用五叶可调螺距螺旋桨(以下简称调距桨),其螺距的改变是通过独立的液压系统驱动桨叶安装盘面下的曲柄销实现的。
该船在太平洋海域航行,常规保养右主机调距桨滤芯时,发现液压油有乳化现象。
图 1 油液取样情况
取出左主机调距桨液压油进行检查比较,油液取样情况如图1所示,从左至右依次是新的液压油、左主机调距桨油、右主机调距桨油。从外观检查发现油液颜色变浑浊,确认液压油乳化。
图 2 油样含水量比较
采用加热法对2台主机调距桨液压油样与新的液压油进行比较(见图2),发现乳化后的油样加热后产生大量气泡,并伴有爆破声,认定液压油中进水导致乳化。
对重力油柜和位于系统最低位置的配油器取样油液的沉淀液进行加热蒸馏,剩余物为白色结晶体,并有咸苦味,进一步确认海水进入液压系统。
船舶返港后,将油样送至专业机构检测分析。
经光谱分析可知,其中钠离子、镁离子浓度达到28000ppm(1ppm =10¯⁶)和2400 ppm,接近海水钠离子浓度(约30000 ppm)和镁离子浓度(约2500ppm),且其含量比例也与海水钠、镁离子比例相吻合。
至此,确认海水进人调距桨液压系统。
二、故障排查
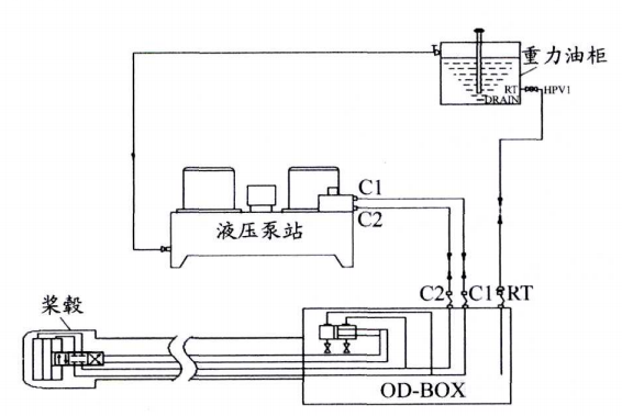
液压调距桨主要由重力油柜、液压泵站、OD-BOX 配油器和可调距螺旋桨等组成。
图 3 调距桨液压系统
工作过程(见图3)为:
液压油由液压泵站经OD-BOX进入桨毂,推动活塞运动,带动桨叶转动。
桨毂活塞内部为液压油高压侧,活塞外部为液压油低压侧。
活塞运动过程中,高压侧有少量液压油泄漏进入低压侧,通过大轴内部通道经OD-BOX回到重力油柜,然后溢流回到液压泵站1。
液压油通过淡水冷却器进行冷却。
根据调距桨结构和液压系统组成分析,调距桨液压油乳化的直接原因是水分进入液压系统并超过油液乳化临界值(抗乳化液压油液含水率极限为0.4% ,达到或超过该值须更换,达到0.5%~0.8%会出现乳化)。
液压系统进水主要有3种可能途径:
一是液压油冷却器泄漏,淡水进入液压系统;
二是系统油箱中由于温差变化形成凝水累积并超过油液乳化临界值;
三是桨毂密封圈失效,海水进入液压系统。
根据以上分析,确认是海水进入桨毂内部而导致液压油乳化。
桨毂本体共有6个密封面:
1个是桨毂本体与导流罩之间的密封,该密封为静密封,安装时采用特种密封胶加固,失效概率极低,基本可以排除该静密封失效的可能性;
另外5个是桨叶与桨毂密封面,该密封面为动密封,在正常调节螺距过程中,桨叶随安装盘面沿密封圈产生相对运动,存在逐渐磨损的过程,而且5个密封面中任一密封失效均会导致调距桨液压油与海水隔离失效2。
根据桨毂结构分析,螺旋桨旋转时桨毂内部的液压油会受到离心力作用,桨叶根部压力升高,有效减缓进水速度。
更换调距桨液压油后,对主机分控运行,采取高转速小螺距的运行工况,同时定期从配油器、重力油柜和液压油柜放残,放出水分,液压油未出现恶化现象,确保船舶安全返港。
为进一步确定故障,船舶进驻江南造船厂船坞对螺旋桨进行检查,发现两机桨叶根部均漏油(见图4)。
图 4 桨叶根部漏油
拆卸螺旋桨桨叶,测量数值,发现桨叶根部及其О形密封圈偏磨(见图5),同时桨毂内部元件磨损严重。
图 5 密封圈磨损
三、机理分析
图6 调距桨桨毂结构剖面图
图6为调距桨桨毂结构剖面图,其中1为桨叶根部密封圈、2为螺旋桨桨叶、3为桨叶托盘、4为活塞。
液压油作用在活塞两侧,推动活塞左右移动,活塞带动托盘和桨叶转动实现螺距调节。
调距桨桨叶密封为橡胶材质的О形密封圈,其材料、结构型式已有数十年的船上应用历史,设计使用寿命不小于5年。
该船有2套推进装置,远航后在设备保养或航速要求低于11kn 时,通常采用单套推进装置交替运行的模式。
单套推进装置运行时,一台主机及调距桨运行保持较高航速,确保主机燃烧状况良好,另一台主机及调距桨处于停止状态,且调距 桨螺距处于零位。
在单机运行状态时,为保持船舶直线航行,舵叶应转向停止桨侧并保持一定舵角,从而进一步增强船体舰部扰流。
在水流作用下,特别是恶劣海况时,运行中的螺旋桨经常承受突变的负荷。
为避免主机超负荷运行,控制系统会自动调节调距桨螺距,降低主机输出功率。
在高负荷运行中,频繁调整螺距除加剧桨叶根部、O形密封圈磨损外,也造成桨叶安装盘面与桨毂支承面异常磨损。
桨叶安装盘面轴向磨损使桨叶密封圈的压缩量减小,加速桨叶密封圈的失效。
桨叶根部平面磨损(最大磨损量0.25mm)、密封圈密封面局部磨损(磨损量0.7~1.3mm ,新密封圈公称直径16mm)、桨叶安装盘面与桨毂支承面磨损后间隙超差(个别间隙超过0.4mm),从而使密封圈失去压缩量(新装密封圈压缩量1.8~2.0mm)并形成局部间隙。
由以上机理分析可知,调距桨桨叶平面磨损、密封圈局部严重磨损、桨叶安装盘面与桨毂支承面长期运行形成的局部磨损间隙超差是海水进入系统的基础条件,也是密封圈提前失效的根本原因。
桨叶根部平面和密封圈磨损严重,液压油进水并导致乳化的具体原因如下:
(1)调距桨在长期运行过程中,桨叶安装盘面与桨毂支承面的磨损间隙超差(本次测量局部磨损间隙最高达到0.42mm,高于上限值0. 3mm) ,加速密封失效的进程,使桨叶密封面、密封圈密封面磨损加剧。
(2)螺距频繁动作,局部磨损严重。
进坞检查发现左桨桨叶法兰的180°~270°方位区域、右桨桨叶法兰的90° ~180°方位区域为磨损严重区域,此区域对应最大螺距角,受力最大,加剧磨损。
同时,船舶较高的航速稳定性要求螺旋桨具有较高的螺距调节精度(原设定值为±0.7%)和较高的响应灵敏度(原设定值为±1.0%) ,由此增大螺距调节的频度,导致密封面、运动部件的磨损量加剧。
尤其在恶劣海况下或全速航行时,为保护主机不过载,螺距波动更为频繁。
(3)外来杂质进入密封圈与桨叶根部,导致密封圈表面的不规则磨损和桨毂轴承表面的拉痕。
杂质来源包括长江中的泥沙和系统内原有杂质,其中前者为主要原因,船舶进出长江时泥沙较多,其进人到桨毂内部,造成异常磨损。
四、解决措施
由于桨叶安装盘面与桨毂支承面的磨损间隙超差,按照服务商检修工艺要求须对桨毂大修、更换托盘。
桨毂内部元件订货需要9周,而本次应急检修在坞时间只有10天左右,无法进行修理解决。
考虑到船舶临近中修,进行如下维修:
(1)拆检桨叶,对桨叶根部密封面进行加工处理,更换桨叶密封圈,按照工艺要求进行装复;
(2)清洁调距桨重力油柜、主油柜,更换液压油;
(3)全面检修配油器;
(4)外观检查试验螺距未发现调距桨渗油。
后续中修,将对2台主机调距桨全面检修,彻底解决故障隐患。
五、结束语
此次故障快速排查、准确定位、有效处置,最大程度降低故障影响。
针对此次故障,后续岗位管理人员应重点关注以下3点:
(1)密切关注调距桨液压油,定期取样检查,记录液位情况。
(2)适当优化螺旋桨螺距调节、反馈设定值,由原来的调节精度(偏差值)±0.7%和反馈响应±1.0%分别调整为±0.5%和±1.5% ,降低螺距自动调节频度;同时,航行中尽量减少螺距变化,减缓桨叶根部磨损。
(3)调整主机的联控曲线,增加主机超负荷余量,降低大风浪条件下调距桨桨叶运动的频率。
原创作者:
中国卫星海上测控部
曹新玉 刘 昕 张小波 左红稳
工程师必备
- 项目客服
- 培训客服
- 平台客服
TOP




















