非对称弯曲梁的正应力分析(二)
2021年5月7日 09:27关注公众号:“CAE之道”,享受专属答疑服务,精彩文章不错过。
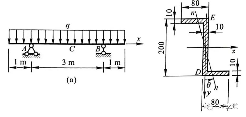
上一篇文章我们讨论了梁非对称弯曲的第一种情况,即梁具有纵向对称平面,但外力不作用在该平面内的情况。这篇文章,我们将讨论梁非对称弯曲的第二种情况——梁不具有纵向对称平面。
根据题意,该梁为Z型型钢,不具备纵向对称平面,可知该问题为梁的非对称弯曲问题,我们首先绘制出该梁的总弯矩图如下:
根据广义上的弯曲正应力计算公式可得最大正应力:
使用ANSYS求解该问题时,我们从以下几个方面入手:
2. 确定单元类型:该结构为梁结构,结果需要输出弯矩图,因此分析时使用Beam单元;
根据例题中提供的梁模型尺寸,我们在SCDM中建立梁模型。建模时应注意把受力点建出来,方便我们施加载荷。
此处我们将一根单独的梁实体模型建立成三段,方便我们施加载荷及约束;
根据题意,本例为空间(2个方向)上简支梁结构,即在Y方向为简支梁,在Z方向上亦为简支梁。其约束为:左段为固定铰支座,约束4个自由度,释放2个(Y轴和Z轴)旋转自由度;右端为可动铰支座,约束3个自由度,释放2个(Y轴和Z轴)旋转、1个(X轴)平动自由度;在Workbench中,可以在左端使用Simple Support(固定3个平动自由度)和Fixed Rotation(释放Y轴和Z轴转动)组合实现;右端使用Displacement(固定Y轴和Z轴方向平动)和Fixed Rotation(释放Y轴和Z轴转动)组合实现。设置的约束如下图:
根据题意,本例中的载荷为20kN/m的均布载荷,可通过Line Pressure实现;作用区域为整段梁,坐标系选择全局坐标系:
求解设置全部保持默认。
由于我们需要绘制弯矩图,所以需要建立一个Path,将结果映射到Path上。右键Model → Insert → Construction Geometry → Path,然后在Details of path中将path type切换为edge,依次选择建立的3根线体,点击Apply确定选择。
因为要提取最大剪应力,所以在求解时要打开梁截面结果:
2. X方向正应力:
1. Y方向最大弯矩为12500 N·m,理论计算结果为12500 N·m,计算结果完全一致;
2. X方向的最大正应力为146.95 MPa,理论计算结果为146.95 MPa,计算结果完全一致;
在本例中,如果使用对称弯曲正应力计算公式进行计算,则
01 齿轮动态接触分析
02 冲压成型仿真
HyperMesh与ANSYS联合仿真(一)
如何在HyperMesh中使用ANSYS命令
01 Weak Spring-弱弹簧
02 End Releases-端部释放
03 Remote Force-远端力
工程师必备
- 项目客服
- 培训客服
- 平台客服
TOP




















