35 Ansys Workbench工程应用之——结构非线性(下):状态非线性(5)螺纹连接
2022年10月17日 08:29点击上方蓝字关注我们
Ansys Workbench工程应用之——结构非线性(下):状态非线性(5)螺纹连接
螺纹连接在工程中被广泛应用,特别是普通三角螺纹,被应用在各种紧固标准件上。本文所说的螺栓包括了螺钉、螺杆等。
1 螺纹的工程应用基础
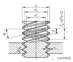
以圆柱普通外螺纹为例说明螺纹的主要参数。
(1)大径d——即螺纹的公称尺寸,比如M8的螺钉,d=8mm。
(2)螺距P——螺纹相邻两圈的轴向距离,比如M8×1.25的螺钉,P=1.25mm。
(3)小径d1——螺纹的最小直径,在强度计算中作为螺杆危险截面的计算直径。d1=d-1.0825P,比如M8×1.25的螺钉d1=8-1.0825*1.25≈6.65mm。
(4)中径d2——确定螺纹几何参数和配合性质的尺寸。D2=d-0.6495P≈0.9d,比如M8×1.25的螺钉d2=8-0.6495*1.25≈7.2mm。
(5)螺纹升角Φ——在中径圆柱上螺旋线的切线与垂直于螺纹轴线的平面间的夹角,普通单线螺纹Φ=aectan(P/πd2)。下图为普通粗牙螺纹的升角,细牙螺纹升角比粗牙螺纹稍小。
(6)接触高度h——内、外螺纹旋合后的接触面的径向高度,h≈0.54P。
注意:螺栓往往有全螺纹和非全螺纹之分,非全螺纹的光杆尺寸为中径或大径尺寸,也有部分螺栓光杆的ds<d1,比如不脱出螺钉,此时强度与预紧力应按更小的ds校核计算。
国家标准规定螺纹连接件按材料的力学性能划分等级。螺栓、螺柱、螺钉的性能等级分为9级,自4.6至12.9。性能等级的代号是由点隔开的两部分数字组成,点左边的数字表示公称抗拉强度的1/100(σB/100),点右边的数字表示屈服强度(σs或σ0.2)与公称抗拉强度(σB)之比值(屈强比)的10倍(10σs/σB)。例如性能等级4.6,其中4表示紧固件的公称抗拉强度为400 MPa,6表示屈服强度与公称抗拉强度之比为0.6,即屈服强度为240MPa。螺母的性能等级分为7级,用螺栓性能等级标记的第一部分数字标记,从4到12,数字表示与该螺母相配的螺栓中性能等级最高的,也近似表示螺母最小保证应力σmin的1/100。选用时,须注意所用螺母的性能等级应不低于与其相配螺栓的性能等级。
适合制造螺纹连接件的材料品种很多,常用材料有低碳钢(Q215、10钢)和中碳钢(Q235、35钢、45钢)。对于承受冲击、振动或变载荷的螺纹连接件,可采用低合金钢、合金钢,如15Cr、40Cr、30CrMnSi等。国家标准规定8.8级及以上的中碳钢、低碳或中碳合金钢都须经淬火并回火处理。对于特殊用途(如防锈蚀、防磁、导电或耐高温等)的螺纹连接件,可采用特种钢或铜合金、铝合金等,并经表面处理(如氧化、镀锌钝化、磷化、镀镉等)。
普通垫圈的材料,推荐采用Q235、15钢、35钢,弹簧垫圈用65Mn制造,并经热处理和表面处理。
1.2.2 许用应力
螺纹连接件的许用应力与载荷性质(静、变载荷)、装配情况(松连接或紧连接)以及螺纹连接件的材料、结构尺寸等因素有关。螺纹连接件的许用拉应力按下式确定:
螺纹连接件的许用切应力[τ]和许用挤压应力[σp]分别按下式确定:
对于钢螺栓:
对于铸铁螺栓:
式中: σs、σB——螺纹连接件材料的屈服极限和强度极限。常用铸铁连接件的σB可取200 ~250 MPa;
S、Sτ、Sp——安全系数,见下表。
绝大多数螺纹连接在装配时都必须拧紧,使连接在承受工作载荷之前,预先受到力的作用。这个预加作用力称为预紧力。经验证明,适当选用较大的预紧力对螺纹连接的可靠性以及连接件的疲劳强度都是有利的,特别对于像气缸盖、管路凸缘、齿轮箱、轴承盖等紧密性要求较高的螺纹连接,预紧更为重要。但过大的预紧力会导致整个连接的结构尺寸增大,也会使连接件在装配或偶然过载时被拉断。因此,为了保证连接所需要的预紧力,又不使螺纹连接件过载,对重要的螺纹连接,在装配时要控制预紧力。
通常规定,拧紧后螺纹连接件在预紧力作用下产生的预紧应力不得超过其材料屈服极限σs的80%。对于一般连接用的钢制螺栓连接的预紧力F0,推荐按下列关系确定:
碳素钢螺栓:
合金钢螺栓:
式中:σs——为螺栓材料的屈服强度;
A1——螺栓危险截面的面积,。
受变载荷的螺纹预紧力应比受静载荷的大些。QC/T518-2013也给出了各螺纹的最大预紧力,读者可作为参考。
1.3.2 预紧力矩
控制预紧力的方法很多,通常是借助测力矩扳手利用控制预紧力矩的方法来控制预紧力的大小。
拧紧力矩通过以下公式求得:
但是在工程应用中,一般不会用这么复杂的公式,而是通过经验公式求得:
1.3.3 预紧伸长量
采用测力矩扳手或定力矩扳手控制预紧力的方法,操作简便,但准确性较差(因护紧力矩受摩擦系数波动的影响较大),且容易拧断M8以下的小螺栓,也容易拧不紧M32以上的大型螺栓。为此,可采用测定螺栓伸长量的方法来控制预紧力。当螺母拧到与被连接件贴紧时,测得螺栓的原始长度为Ls,根据所需的预紧力F0,拧紧后螺栓的伸长量Lm为下式,单位为N/mm。
比如M8x1.25的8.8级螺栓与8级螺母夹紧厚度x=20mm的两块板。螺栓材料的弹性模量E=206GPa=206000MPa,预紧力按0.6*σs*A1取值,则伸长量
螺栓受载的形式不外乎是受轴向力或受横向力。在轴向力(包括预紧力)的作用下,螺栓杆和螺纹部分可能发生塑性变形或断裂;而在横向力的作用下,当采用较制孔用螺栓时,螺栓杆和孔壁的贴合面上可能发生压溃或螺栓杆被剪断等。根据统计分析,在静载荷下螺栓连接是很少发生破坏的,只有在严重过载的情况下才会发生。就破坏性质而言,约有90%的螺栓属于疲劳破坏。而且疲劳断裂常发生在螺纹根部,即截面面积较小并有缺口应力集中的部位(约占其中的85%),有时也发生在螺栓头与光杆的交接处(约占其中的15%)。
综上,对于受拉螺栓,其主要破坏形式是螺栓杆螺纹部分发生断裂,因而其设计准则是保证螺栓的静力或疲劳拉伸强度;对于受剪螺栓,其主要破坏形式是螺栓杆和孔壁的贴合面上出现压溃或螺栓杆被剪断,其设计准则是保证连接的挤压强度和螺栓的剪切强度,其中连接的挤压强度对连接的可靠性起决定性作用。
1.4.1 松螺栓连接强度计算
松螺栓连接装配时,螺母不需要拧紧。在承受工作载荷之前,螺栓不受力。这种连接应用范围有限,例如拉杆、起重吊钩等的螺纹连接均属此类。
1.4.2 紧螺栓连接强度计算
(1)仅承受预紧力的紧螺栓连接
紧螺栓连接装配时,螺母需要拧紧,在柠紧力矩作用下,螺栓除受预紧力F0的拉伸而产生拉伸应力外,还受螺纹摩擦力矩T的扭转而产生扭转切应力,使螺栓处于拉伸与扭转的复合应力状态下。因此进行仅承受预紧力的紧螺栓强度计算时,应综合考虑拉伸应力和扭转切应力的作用。
(2)承受预紧力和工作拉力的紧螺栓连接
这种受力形式在紧螺栓连接中比较常见,因而也是最重要的一种。这种紧螺栓连接承受轴向拉伸工作载荷后,由于螺栓和被连接件的弹性变形,螺栓所受的总拉力并不等于预紧力F0和工作拉力F之和。总拉力受到螺栓刚度Cb及被连接件刚度Cm等因素的影响。因此,总拉力F2等于残余预紧力F1与工作拉力F之和。
以上计算F2的公式还是稍显麻烦,还可以在Workbench结果中查看螺栓预紧力,便是F2。
(3)承受工作剪力的紧螺栓连接
承受工作剪力的螺栓主要有铰制孔螺栓、轴位螺钉等,它们即起到轴向连接作用,又起到横向定位作用。这种情况下,螺栓杆与孔壁之间无间隙,接触表面受挤压;在连接接合面处,螺栓杆则受剪切。因此,应分别按挤压及剪切强度条件计算。计算时假设螺栓杆与孔壁表面上的压力分布是均匀的,又因这种连接所受的预紧力很小,所以不考虑预紧力和螺纹摩擦力矩的影响,
2 螺纹连接在Workbench中的仿真
为了模拟螺栓头、螺母或垫片对工件的作用,一般会在工件的孔边沿创建一圈印记面,即作用面。如果建模采用实体螺栓,则无需创建作用面。
在WB中,螺栓可使用无螺栓而施加等效载荷,也可以使用梁代替螺栓,或者建立实体模型,区别如下表。
工程中,螺栓预紧时,工人使用扳手扭动螺栓或螺母,当预紧力(或扳手力矩)达到技术要求,工人去除扳手,螺栓的长度被锁定。
WB中,螺栓预紧力加载一般需要分为两个载荷步,第一步加载预紧力或调整量,第二步锁定。这是为了模拟现实工程中的螺栓预紧过程。
WB中的预紧力或调整量是通过预紧单元添加的。加载预紧力表示预紧单元向中间收缩的力,调整量表示预紧单元向中间收缩的尺寸,调整量与预紧力的关系按1.3.3中的预紧伸长量计算。
其余选项中,打开表示去除预紧力,增量表示增加调整量。
当从外部CAD导入模型时,轴面往往被分割为两部分,此时在其中一半圆弧面添加预紧力即可,因为预紧力是作用在预紧单元上,而不是圆弧表面。
2.2.2 拧紧顺序的影响
在一些重要的装配部件中,对螺栓拧紧顺序是有要求的,比如按对角线依次拧紧。由于螺栓预紧力计算大多是非线性计算,所以与预紧力的加载顺序有关系。这时至少需要比螺栓多1个的载荷步。
上图预紧力施加1000N只是示意,实际施加多少请参考设计图纸或1.3.1。需要注意的是,如果按实际预紧力顺序加载,可以造成不收敛(因为预紧力太大),所以建议在WB中可以给所有螺栓先施加一定的初始预紧力,比如上图,将所有预紧力载荷步中的“打开”修改为载荷800N。
采用实体螺栓时,在螺栓头部,螺栓与螺母绑定接触处都容易出现应力奇异,不能以这些地方的有限元计算应力作为评定标准。
当无预紧力时,且只有轴向拉伸力时,可以直接取螺栓中部截面等效应力的平均值。
当有预紧力时,就无法直接从WB结果读取了,需要使用1.4.2-(2)中的公式评定,详见实例1。
实例1 预紧力与工作载荷同时作用下的螺栓强度评定。
Step1 建模。
建立静力学算例,单位为mm。
在DM中如下模型,尺寸不重要,读者自己斟酌。创建后冻结它。
为简化计算(偷个懒),将螺栓与螺母创建为一个零件,螺杆直径取M8螺栓小径D6.75。
Step2 接触与网格。
进入Mechanical中,创建螺栓与工件上下表面的接触为摩擦,0.2。其余默认。
适当细化网格,使工件在厚度方向至少2层单元,螺栓网格设置为1mm。
Step3 边界条件。
固定工件上表面。
由于需要设置预紧力,所有设置2个载荷步。
给螺栓施加预紧力1000N,第一步加载,第二步锁定。
在第二步给工件右侧下表面施加向下1000N的力。
Step4 结果后处理。
查看螺栓等效应力如下图,最大值为821Mpa,且出现在螺栓边角处,明显是应力奇异,不能采用此值。
在螺栓中部创建构建几何——面,查看面上应力如下图。最大值为191.55MPa,明显也不对。
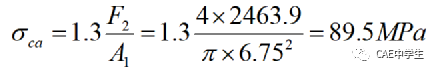
在结果中查看探针——螺栓预紧力如下图。此时螺栓的工作载负载2463.9N,即对应于1.4.2-(2)中的总拉力F2=2463.9N。
注:也可在结果的工具箱——螺栓工具中查看此工作负载。
通过1.4.2-(2)计算螺栓应力为:
2.3.2无建模,采用连接——梁时
这种情况主要用于不关心螺栓强度,而只关心被连接的工具强度的情况。但是我们也可以提取总拉力F2,方法同实例1:在结果中查看探针——螺栓预紧力。
2.3.3梁模型代替螺栓时
梁模型代替螺栓时不会出现实体模型那样的应力奇异,而且可以通过梁工具求得螺栓的拉伸应力。但是需要注意,如果有预紧力,按照1.4.2-(2),还应对求得的梁的拉应力×1.3,才是计算应力。
实例2 将实例1中螺栓换为梁模型,评定螺栓强度。
Step1 建模。
复制刚才算例,进入DM,删除螺栓模型,建立作用面(印记面)和梁模型,梁截面为于安心,直径6.75。
Step2 连接与网格。
进入Mechanical中,创建梁上下端点与工件上下工作面的Joint——Fixt运动副。其余默认。
适当细化网格,使工件在厚度方向至少2层单元。
Step3 边界条件。
边界条件与实例1相同,预紧力施加在梁模型上。
Step4 结果后处理。
查看梁工具——直接应力。
直接应力为68.86Mpa,计算应力为
σ=1.3×68.86=89.5MPa
与实例1相同。
当然,也可按实例1中的方法获得F2,然后计算应力。
特别提示:
在模拟实际工况时,由于螺栓预紧力多为屈服强度的50%~70%,如果按线弹性材料计算,结果可能超过屈服强度,所以此时应使用弹塑性模型,比如双线性弹塑性模型。
写在最后
1.4.2-(3)中的铰制孔螺栓剪切与挤压强度在此就不再演示了,感兴趣的请自行研究。
螺栓连接相关问题在计算前应清楚是否关心螺栓本身强度,如果不关心就可以使用无建模——连接——梁代替,以简化计算。如果关心螺栓本身强度,应注意有预紧情况下,计算应力应该是总拉力F2的1.3倍除以危险截面面积,WB的结果中可以查看F2,但是无法直接求得计算应力,特别是在使用实体模型时,应剔除应力奇异点。
本期解读了螺栓连接,非线性相关内容快写完了,下期写啥暂时还不知道,敬请期待。
由于图惜实践经验实在有限,文中也难免纰漏百出,敬请批评指正。
[1]《机械设计》——濮良贵、纪名刚
[2]《Ansys Workbench有限元分析实例详解》——周炬、苏金英
[3] ANSYS 2022帮助文件
喜欢的话,给我点个“赞”、“在看”呗
工程师必备
- 项目客服
- 培训客服
- 平台客服
TOP




















