一种用于服务器芯片散热的液冷板实验研究
2023年4月19日 08:53
来源 | Applied Thermal Engineering
原文 | https://doi.org/10.1016/j.applthermaleng.2023.120284
背景介绍
互联网数据中心是信息时代的关键基础设施,承担着海量数据信息的传输、整合、分析、计算和处理。随着数据中心规模的扩大,数据中心能耗不断增加。芯片是数据处理的核心部件,数据量的爆炸式增长对服务器芯片的性能提出了更高的要求。当服务器芯片的工作温度高于额定工作温度10 ℃时,服务器芯片的可靠性降低到50%。因此,服务器芯片的热管理技术是制约数据中心发展的瓶颈之一。
风冷散热,结构简单,经济可靠。传统的低功耗服务器普遍采用风冷方式。然而,对于大规模数据中心而言,风冷能耗较高,且其密度低、散热能力有限。然而,用于液冷的冷却介质比热容是空气的1000-3500倍,导热系数是空气的15-25倍,可以达到更高的热流密度散热。应用于服务器的液冷技术可分为单相间接液冷、两相间接液冷、热管冷却和浸没式液冷。
浸没式液体冷却由于与冷却介质直接接触,具有极低的热阻。浸没式液冷需要额外的密封手段和一套完整的专用服务器或机柜,这给数据中心维护和改造带来了巨大挑战。间接液冷技术适应性强,可用于新旧数据中心的改造。液冷板是间接液冷的关键部件之一。液冷板的材料、结构和制造工艺对散热性能有很大影响。
目前微通道成形技术包括微铣削、微线切割、激光微加工、光刻等。液冷板的焊接方法有回流焊、扩散焊、摩擦焊等。微通道采用电火花线切割加工。虽然微通道液冷板具有优良的散热性能,但微通道液冷板的制造工艺存在一定的弊端。
为了保证良好的密封条件,液冷板需要焊接成一个整体。大多数焊接工艺存在成本高、生产效率低的问题。即使采用效率更高的回流焊,微通道也容易被焊料堵塞。微通道液冷板制造工艺的缺陷阻碍了其在数据中心的大规模部署。
02
成果掠影
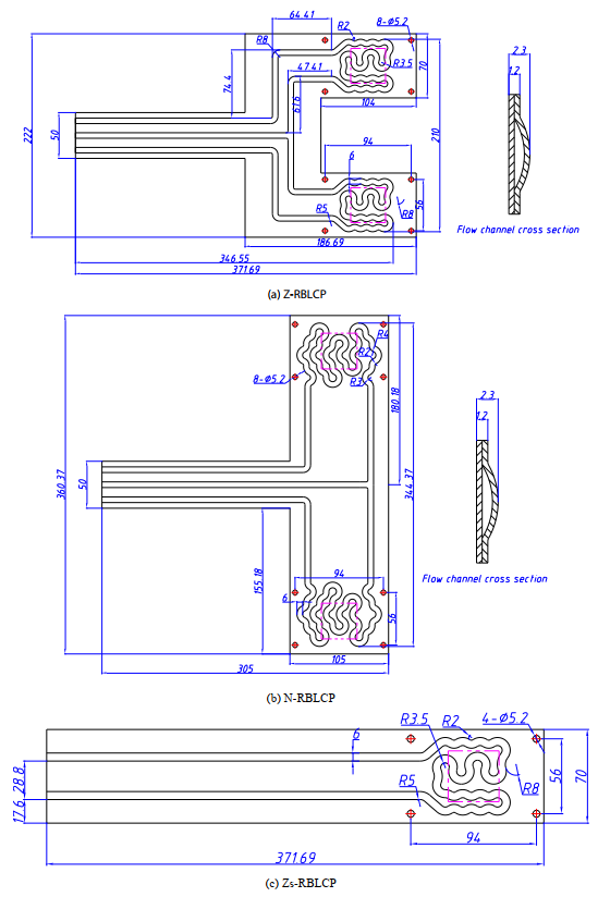
为了解决服务器冷却技术中结构复杂、制造成本高、制造周期长等问题,华南理工大学潘敏强教授团队提出了一种新型的加工工艺的液冷板。辊粘工艺起源于制冷行业的蒸发器制造工艺。此工艺可批量生产,并可灵活调整产品结构。采用辊粘接工艺可大大降低生产成本和液冷板泄漏风险。近年来,对辊粘液冷板的研究主要集中在PV/T太阳能集热系统和动力电池热管理方面。目前,将其应用于服务器散热的研究较少。为此,针对一种低成本、可批量生产的服务器芯片热管理方案,提出一种辊粘液冷却板(RBLCP),并通过实验研究其传热性能和流动特性。该团队建立了RBLCP的性能测试平台。通过经验研究了弯曲、流道形状、流量和加热功率对RBLCP性能的影响。结果表明,弯曲对其传热性能影响不大。但随着流量的增加,弯曲后RBLCP的流动特性比弯曲前的RBLCP差。RBLCP的传热性能和流动特性主要由流道的弯曲程度决定。与弯曲为" Z "形的RBLCP (Z-RBLCP)相比,弯曲为" N "形的RBLCP (N-RBLCP)具有更好的综合性能。RBLCP的换热性能随着流量的增加而提高,但在大流量时变化不大。冷却板的总温度均匀性随流量和加热功率的增大而减小,而其局部温度均匀性随流量的增大而增大,随加热功率的增大而减小。为保证热源的温度和温差较低,应避免RBLCP在低流量下工作。当加热功率为100 W、流量为35 L/h时,N-RBLCP的最小热阻Rt = 0.0613 K/W。RBLCP成本低,能满足服务器芯片的散热要求。研究成果以“Experimental investigation of roll bond liquid cooling plates for server chip heat dissipation”为题发表于《Applied Thermal Engineering》。
图文导读
图9.Zs-RBLCP样品的平均温度和误差变化图。
图10.Zs-RBLCP样品的压强和误差变化图。
图11.不同样品的平均温度和流速变化图。
图12.(a) Z-RBLCP的弯曲流道。(b) N-RBLCP的弯曲流道。
图13.Z-RBLCP和N-RBLCP与流量的平均温差。
图14.Z-RBLCP和N-RBLCP的压强与流量的关系。
图15.在不同加热功率下,N-RBLCP的平均温度Tave与流量的关系。
END
工程师必备
- 项目客服
- 培训客服
- 平台客服
TOP




















