电力变压器直流偏磁振动噪声特征研究
直流偏磁是变压器的一种非正常工作状态。流经绕组的直流电流成为变压器励磁电流的一部分,该直流电流使变压器铁心产生偏磁,改变了变压器的工作点,使原来磁化曲线工作区的一部分移至饱和区,导致变压器工作性能异常。
在我国电网的建设中,有很多主干线路具有东西走向、长距离、大容量的特点,这种输电线路易受到磁暴的影响,引发地磁感应电流(geomagnetically induced current, GIC),产生直流偏磁。另外,双极的不平衡运行和单极大地回线方式也会使得变压器绕组中流入直流电流,发生偏磁现象。因此,大型电力变压器经常受到诸如地磁电流、直流输电单极运行的影响,产生直流偏磁,威胁着电网的安全稳定运行。
国外对变压器振动噪声监测研究工作起步比较早。从20世纪30年代以来,美国、芬兰、加拿大、日本等国家相继展开对变压器直流偏磁引起的噪声加剧以及对电网运行影响的研究。2001年以来,国内一些高校以及电力生产、设计等研究单位结合江苏武南和岭澳核电站等偏磁饱和情况也做了大量研究工作。其中,武南变电站受直流偏磁的影响主变噪声曾严重增大,噪声频谱中也出现了较为明显的奇次谐波。
借鉴以往的研究,本文通过对某新投运变电站变压器的噪声异常现象的分析论证,详细阐述了直流偏磁下变压器的振动噪声特征,并提出整改建议,为后续的研究工作提供参考。
1 变压器直流偏磁原理
1.1 变压器的振动
变压器的振动噪声主要取决于铁心和绕组的振动。振动信号以不同的途径传向变压器身。铁心的振动是由硅钢片的磁致伸缩效应引起的。所谓磁致伸缩就是铁心在励磁时,沿磁力线方向硅钢片的尺寸要增加,而垂直于磁力线方向硅钢片的尺寸要减小。
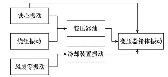
它通过两条途径传递给油箱,一条是固体途径传递——铁心的振动通过垫脚传至油箱;另一条是液体途径——铁心的振动通过绝缘油传至油箱。绕组的振动是由电磁力引起的,主要通过绝缘油传至油箱。风扇等冷却装置的振动通过固体的途径也会传至变压器油箱。变压器箱体的振动与噪声传递原理示意图如图1所示。
图1 变压器振动原理示意图
1.2 变压器偏磁振动特征
由于磁致伸缩的变化周期是电源频率的半个周期,变压器正常工作时,励磁电流在正负半周是对称的,交流励磁磁通在正负半周是对称的,因而磁致伸缩位移在磁通变化的一个周期内也是对称的。所以,磁致伸缩引起的变压器本体的振动噪声是以两倍的电源频率为基频(100Hz)。
考虑到磁致伸缩的非线性,多级铁心中心柱和铁轭相应级的截面积不同等原因以及外界干扰,使得变压器铁心振动的噪声频谱中除了基频噪声之外,还产生有其频率为基频整数倍的高频偶次波噪声(如200Hz, 300Hz, 400Hz)。
在直流偏磁的情况下,励磁电流会呈现出正负半波不对称的形状。与偏磁方向一致的半个周波大大增加,另外半个周波反而减小。在这种情况下,铁心磁致伸缩位移在一个周波内将出现不对称,导致振动噪声中不仅含有偶次谐波,还会出现奇次谐波分量。
综上所述,在直流偏磁情况下,变压器的振动会变得更加复杂,出现一系列高次和奇次谐波。
2 变压器直流偏磁案例分析
2.1 运行概况与数据监测
某新建变电站主变于2018年2月1日投入运行,2月2日供电公司发现编号为2#的主变振动噪声数据明显高于3#主变(2#主变中性点直接接地,3#主变中性点不接地)。经过研究,于2月12日晚将2#主变退出运行,3#主变中性点经隔离刀直接接地,3#主变噪声变大,与2#主编噪声声级一致。
变压器基本参数如下:型号为SFZ10-180000/220;额定电压为230±8×1.25%121/11kV;额定容量为180/ 180/90MVA;联结组别为YNyn0d11;主分接阻抗为14%/48%/33%。
2月2日、5日、11日、13日以及3月5日数据监测结果见表1。
表1 变压器噪声监测结果
2.2 噪声声级修正(略)
该站两台变压器出厂试验噪声声级分别为59.2dB和59.4dB。3#主变压器未接地时运行的噪声声级修正值为58.6dB。
2.3 噪声异常原因分析
1)变压器设计结构的可靠性分析
该站2台变压器均为高阻抗变压器,其实现方式为内置电抗器结构。该变压器生产厂家已在19个变电站数十台高阻抗变压器中采用了内置电抗器结构,现场运行良好,结构成熟可靠,能够满足现场运行要求。由前文2.2节中修正结果可知,3#主变未接地时运行噪声符合实际中技术协议要求的小于65dB。3#主变噪声增大是在中性点由不接地改为接地运行时发生的,可以排除变压器自身原因造成的。
2)噪声声级增加与直流电流间的关系与技术标准一致
由前文分析可知,直流偏磁可以导致噪声声级明显增加。噪声声级增加值、直流偏磁电流与空载电流之比的关系如图2所示。
图2 噪声声级增加值与直流偏磁电流的定量关系
该站通过3#主变中性点直接接地后,为系统中的直流电流流入地壳提供了一个低电阻值的途径,实际可检测到高压测中性点直流电流为1.16A(DC),每相直流电流为0.39A。出厂试验中空载电流标幺值为0.05%,高压侧额定电流为472.4A,高压侧空载励磁电流为0.24A。直流偏磁电流与空载电流之比为1.6。
结合上文中噪声声级增加与直流电流间的关系图像,可知噪声升级增加约13dB。实际测量结果,中性点不接地运行时噪声为69dB,中性点接地后噪声增加到85.1dB,实际增加16.1dB,噪声声级理论增加值与实际增加值基本一致。
3)噪声频谱与直流偏磁噪声典型频谱一致
利用频谱分析仪Spectrum analyzer测量分析。三相220kV电力变压器常规空载试验时噪声频谱如图3所示。该站3#主变噪声频谱分析如图4所示。利用Matlab仿真分析,三相220kV电力变压器常规空载试验频谱如图5所示。该站3#主变噪声频谱分析如图6所示。
图3 常规空载试验噪声幅-频分析
图4 该站主变噪声幅-频分析
图5 常规空载噪声幅-频仿真分析
图6 该站主变噪声幅-频仿真分析
结合前文有关理论分析可知,电力变压器常规试验状态下空载噪声主要以50Hz及其偶数倍频率为主,其中300Hz是主要频率。该站主变3#噪声频谱明显包含偶次谐波和奇次谐波,说明了在直流偏磁作用下,励磁电流不仅含有偶次谐波,还出现了奇次谐波分量,对应半个周期的铁心过度饱和,明显产生了奇次谐波和偶次谐波噪声,符合前文中所述直流偏磁状态下变压器的噪声特征。
3 改进措施
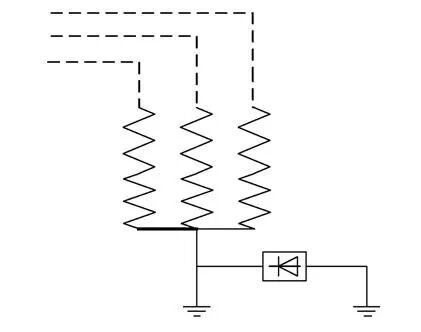
在变压器的中性点对地连接一套直流发生装置,直流发生装置的“地”端与变电站外的补偿接地极连接。直流发生装置的输出电流幅值和方向可变,对变压器直流偏磁进行抵消,达到限制直流偏磁的作用。其原理接线如图7所示。
图7 变压器中性点注入反向直流电流系统的原理接线图
文章来源:CES电气
工程师必备
- 项目客服
- 培训客服
- 平台客服
TOP




















