首页
学院
直播
问答
悬赏
全部悬赏
发布悬赏
专家入驻
会议
社区
CAE工程师认证
CAE服务
搜索
发布
注册
/
登录
注册领
666
大礼包
PLC
关注
发布
PLC论坛,PLC(可编程逻辑控制器)的问答讨论,以及视频教程、实例教学等学习资料分享。
全部分类
文章
视频
问答
最新发布
最新评论
精华
全部
我的发布
我的收藏
我的点赞
关注的问答
帖子
基于PLC的阀门生产线控制系统设计与仿真分析
机械工程师
3593
1
3
3
2023-11-03
摘 要:文章选用FX2系列PLC设计阀门生产线控制系统,以实现远程控制和自动化生产。文章首先介绍了FX2系列PLC的主要功能和控制方式,随后对阀门生产线控制系统中伺服电机、驱动器、冲击气缸等硬件设备的选型展开了简要分析,并使用GX Developer8.0编程软件设计了该控制系统的运行程序。最后使用Matlab 8.0软件建立了系统模型并开展了仿真分析。结果表明,使用PLC自带的PID过程控制模块
帖子
西门子PLC S7-1500产生精确时间戳及各种数据处理的方法
跟我学PLC
3698
1
2023-02-23
在数据采集时,精准的相对时间是非常重要的。尤其是高速采集时,上位机的软件(尤其是windows系统里的软件)很难精准地确定信息的时刻。这时候,如果PLC能够在提供数据时,同时提供一个精准的时间标志(时间戳),将能极大地提高数据采集的计时准确性,并降低采集系统的复杂性。 下面将介绍获取一个精确到微秒的Uint32时间戳的方法。虽然S7-1500已经支持64位的整型,但是,考虑到低端的PLC还不支持6
帖子
模拟量输入信号还不会换算?一个万能的程序,全部轻松搞定!
跟我学PLC
3425
3
2023-01-10
引言 在实际的一些项目中,会使用几十上百个模拟量输入信号,这些模拟量输入信号可能是电压、电流或者热电阻信号等等,如果每个都单独处理的话,非常耗费时间。我们就想着能不能使用一个程序,简单配置一下,就能处理所有的模拟量输入信号呢?当然是可以实现,这也是我们这篇文章要解答的问题,请接着往下看。 01 模拟量信号的分类 西门子S7-1200/1500 PLC中模拟量模块的类型包括电压/电流、电阻/热电阻、
帖子
电机延迟启,延迟停2种实现方式,新手也能深入了解定时器指令~
跟我学PLC
3804
1
2023-01-10
大家在学习定时器指令时,常常不知不同定时器如何发挥它本身在程序中的作用,这里我就以S7-200SMART PLC中TON和TOF定时器为例,设计设备中对于电机延迟启动并延迟停止控制的案例,让大家对定时器指令有一个更深入层次的了解。 一、定时器指令说明 二、控制要求(TON为例) (1)按下启动按钮计时10s后启动设备运行(运行后需断开定时使能) (2)按下停止按钮计时10s后断开设备运行(断开后需
帖子
智能测量放大器对比PLC控制器
HBK测试与测量
4156
1
2022-12-28
通过与PLC控制器进行比较,了解现代测量放大器的技术可能性。测量技术将走向何方?关键点和潜在障碍是什么?如果想取得长期成功,有哪些是需要特别注意的? 新理念不可或缺 过去,测试台或生产系统组件之间的交互只能通过复杂的传输通道和接口转换器实现。为了提高这些日益复杂系统的效率,近年来不断向 模块化组件 和 标准接口 转变。 产品开发人员和生产人员正在寻找灵活的系统,这些系统仅需对新员工进行简单的培训,
案例
同一项目下的S7-1200之间的S7通信
跟我学PLC
3234
2
2022-11-30
一、要完成的功能任务 1.S7-1200 CPU Clinet 将通讯数据区 DB1 块中的 10 个字节的数据发送到 S7-1200 CPU server 的接收数据区 DB1 块中; 2.S7-1200 CPU Clinet 将S7-1200 CPU server 发送数据区 DB2 块中的 10 个字节的数据读到 S7-1200 CPU Clinet 的接收数据区 DB2 块中。 二、硬件设
帖子
西门子S7-1200加减计数器应用实例
跟我学PLC
3682
2022-11-30
西门子S7-1200中提供了计数器操作的指令,有CTU(加计数)、CTD(减计数)和CTUD(加减计数)三种,每一种计数器都可以在不同场景进行应用。本文将给大家介绍加减计数器在锂电行业输送带的控制案例,通过这个案例来了解一下这个指令的使用。 关键词:西门子;S7-1200;SCL;输送带;加减计数器;计数器,案例,锂电行业。 一、项目描述 在一个锂电池的生产车间中,具有多段供料的输送带,其中的一条
帖子
技术邻直播讲师招募中!更有现金补贴等你来!
技术邻公告
4607
9
17
2022-11-29
2022 技术邻直播讲师招募 把握现在机遇 双赢美好未来 详情介绍 直播目的:干货知识分享 所属行业:任何行业 (诚邀船舶行业和能源行业的) 直播要求:时间、内容、主题、地点、不限 直播方式:线上讲课模式(以PPT或软件操作为主、无须露脸) 直播设备:一台电脑即可 直播周期:可长期或只直播一两场 直播福利:我们会提供一定的现金补贴!!! 联系方式 只要感兴趣的用户都可以来咨询 扫码回复【直播咨询】
案例
涨知识了!盘点常用PLC输入端口连接元器件~
电工电气论坛
4160
1
1
3
2022-11-22
我们都知道PLC是通过输入端口和输出端口与外部元器件和设备进行连接的。 输入端口主要接收的是各种元器件向PLC提供的开关量信号、数据量信号。而输出端口主要是向外部发出开关量信号、数据量信号和脉冲信号去控制外部负载的。 今天的分享让我们先看一下PLC的输入端口连接的元器件吧。对于输入端口连接的元器件,分为无源开关、有源开关和脉冲信号元器件。 我们要了解一下无源开关、有源开关的特点是什么,而什么是脉冲
帖子
如何将电气图转换为PLC梯形图?简单学会!
跟我学PLC
3461
4
2022-11-16
PLC程序设计,一般均采用直觉法,也就是说它基于电路设计者本身之学习经验,较为主观及直接。须经历一段瞎子摸象的尝试错误(tryanderror)时期,对程序进行除错之后才能符合所需功能或动作要求;因此设计出来的程序因人而异,除了原程序设计者之外,使用者或维修人员较不易理解其动作流程,亦即程序的可读性较低。 但程序设计其实有些许脉络可循,只是坊间的书籍很少提及这一部分。以下姑且抱着野人献曝的心情,以
案例
编程实例|如何利用PLC对电热水壶做加热控制?
跟我学PLC
3452
1
2022-11-16
一、案例任务控制要求描述 电热水壶在日常生活中随处可见,但生活中的热水壶只能烧开一次,如果长时间不饮用就会变凉。为了解决这个问题,在本次案例中引用了PLC做加热控制。 控制要求:第一次按下启动按钮,进行加热,当水温达到100℃时,停止加热。在往后的过程中,如果水杯中的水温低于30℃时,就启动加热棒进行加热。按下停止按钮,无论处于什么状态都停止加热。 所需硬件:热电阻(Pt100),温度变送器,PL
帖子
技术邻双十一专题领券通道
技术邻公告
4153
11
12
2022-11-09
九月初,技术邻将推出「专业」和「专题」模块。 专题」的使命是让志同道合的工科人相聚,不论是主流技术还是小众软件,都能精准地聚集大批同好邻友。 「专题」归属于「专业」。首次更新,我们将推出近20个「专业」,一百多个「专题」。目录涵盖软件、应用、技术、研究对象...等工科方方面面。 「专题」是属于工科人的表达和交流思想的自由平台,您可以在专题下学习知识、分享案例、结交同行,体验别具特色的工科互动平台。
帖子
三菱PLC高速计数器和编码器应用
跟我学PLC
3487
1
2022-11-08
编码器的作用相信大家会经常听到,但是,到底怎么用,相信很多人是一知半解,那么,今天陈老师就给大家分享一下具体的使用方法。使用编码器之前,我们需要先学习高速计数器的概念。 一、什么是高速计数器 假如我们的PLC的X0点接入了一个按钮,在PLC里面写入以下的程序,我们按住按钮1次,那么计数器就会记1,按2次就记2,… …我们按1000次了,计数器c0的常开触点就会闭合,这很好理解。 假如我1秒按一次,
案例
实例讲解|西门子S7-200SMART PLC之间通过向导实现S7通讯
跟我学PLC
3833
2022-10-27
导读: PUT/GET 指令的编程可以使用PUT/GET 向导以简化编程步骤。该向导最多允许组态16 项独立PUT/GET 操作,并生成代码块来协调这些操作。 CPU1 (192.168.2.1 ) 把VB100~107数据传输到CPU2(192.168.2.2 ) VB0~7 CPU1 (192.168.2.1 ) 把VB100~107数据读取到CPU2(192.168.2.2 ) VB0~7
案例
基于S7-1200PLC的液体混合控制案例
跟我学PLC
3350
2
2022-10-27
导读: 我们在项目中编程时,如果单纯的使用逻辑指令编写程序的话有时候难以达到我们的控制要求或者说编程效率比较低。这个时候可以使用功能指令来帮我们厘清编程思路。那么接下来,我们一起以任务的形式编写一个项目,让大家掌握功能指令的使用。 一、任务目标 该任务是功能指令应用案例,使用功能指令有助于我们厘清编程思路。特别是对一些步序的划分,数据的换算等都可以使用功能指令来帮助我们快速编写程序,本任务要求读者
帖子
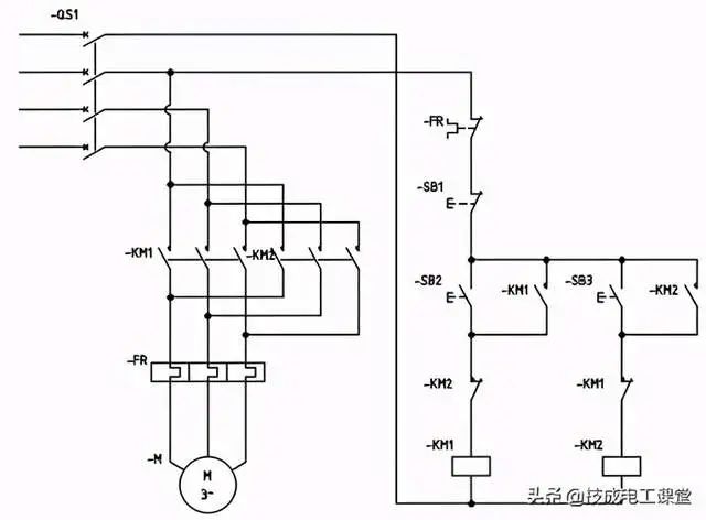
如何使用正反转控制电路转换成PLC控制
跟我学PLC
3612
2
2022-10-27
【动作描述】 (1)现有联锁正反转控制电路一份,如下图,SB1是停止按钮,SB2是正转按钮,SB3是反转按钮,FR是热过载保护我们尝试把它改造成PLC控制的电路。 【设备硬件】 (1)三菱PLC :FX1S-10MR-ES-UL 因为功能比较简单,我们选择PLC可以选择最低配置的型号,继电器输出的可以直接控制交流接触器,通过选型软件确定好以上型号,选型软件可以到三菱官网或者技成论坛搜索下载。其他的
案例
西门子1200PLC实用定位控制程序案例
跟我学PLC
3846
3
2022-10-11
1. 引言 本文是一篇综合性非常强的文章,从PLC输入输出及步进电机接线开始,到PLC运动控制程序编写,再到后续的ModbusTCP通信协议及上位机编程实现最终控制,涉及知识面比较广,能够让我们很好地将所学知识结合起来。 2. 项目开发平台 采用西门子TIA Portal V15编程软件编写运动控制程序,实现PLC(S7-1200系列:CPU1214C DC/DC/DC )对步进电机的控制,再通过
帖子
PLC编程很难嘛?其实只要有方法,就很容易!
跟我学PLC
3100
2
2022-10-11
根据下图的三相交流电动机正反转控制的主电路,设计一个PLC控制电动机正停反的控制系统。控制要求如下: (1)正常情况下,按启动按钮SB1,电机正转,按下反转启动按钮SB2,电机反转。 (2)电机启动后,按下停止按钮SB3并等待5秒钟之后,才可以改变电动机的旋转方向; (3)如果SB1和SB2同时按下,电动机停止转动,并且不起动,同时报警 灯L1亮1秒暗1秒不断闪烁。此时按SB3停止按钮进行复位。
帖子
翻开PLC演进史:探索自动化领域的常青树
跟我学PLC
4656
1
2
2022-09-28
导读 INTRODUCTION 本文将详细梳理PLC的发展历程,总结其演进规律,揭示其为何能长盛不衰、历久弥新,成为自动化领域的常青树。 文章来源 本文由e-works编辑部王聪原创发布。 “一人踏织自成,不用提花之人,闲住花楼,亦不设衢盘与衢脚也。”这段《天工开物》中对提花机的描述,记载了我国最早通过程序实现自动控制,能够储存花纹信息的织机。对于生产制造而言,自动控制永远是工厂里的焦点。而PLC
帖子
最全PLC输入输出各种回路接线,新手不看亏大了!
跟我学PLC
3256
1
2022-09-28
一、输入回路接线 输入电路是PLC接收信号的端口(对模拟量来说一般为0-40MA直流电流或0-10V直流电压信号),输入接线是指外部输入器件(任何无源的触点和集电极开路的NPN三极管)接通输入回路闭合,同时输入指示的发光二极管亮。常用外部输入器件有按钮,接近开关,转换开关,拨码器,各种感应器等,是对系统发出各种控制信号的主令电器。 (一)PLC输入模块与主令电器电器类设备的连接 图中松下PLC为直
热榜
1月
1年
全部
文章
视频
问答
用户排行榜
1月
1年
总榜
影响力
创作榜